Аўтамабілі Mazda Аўтамабілі Mitsubishi Аўтамабілі Toyota Аўтамабілі Chevrolet Аўтамабілі AvtoVAZ Аўтамабілі Kia Аўтамабілі Nissan
Беларускі Русский
English
Български
Український
Српски
Hrvatski
Română
Polski
Slovenský
Magyar
| Артыкулы | Кантакты | Мапа |   
BMWman.ru
 
 
 
 
 
 

3 серыя   5 серыя   7 серыя   BMW X3   BMW X5   BMW X6

E38 (1994-2001) E32 (1986-1994)
  • Галоўная
  • БМВ 7 серыя
  • E38
  • Электраабсталяванне
  • Электрычныя схемы
  • Абаграванне задняга шкла

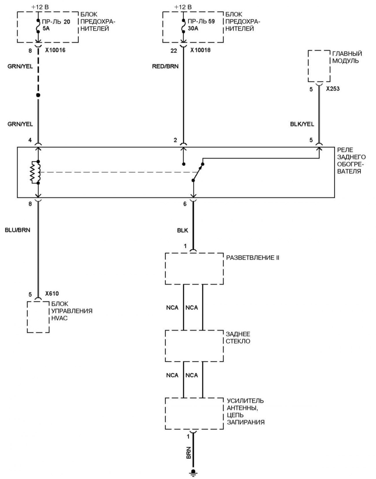
Абаграванне задняга шкла (BMW 7 Series E38)

            0

Абаграванне задняга шкла



Адкрыць вялікую карцінку ў новай укладцы »
Адкрыць вялікую карцінку ў новай укладцы »

Абазначэнні да гэтай электрычнай схемы глядзіце тут →

(Тэкст заснаваны на матэрыялах з сайта: BMWman.ru)

Гэты артыкул даступны на рускай, англійскай, балгарскай, украінскай, сербскай, харвацкай, румынскай, польскай, славацкай, венгерскай
Артыкул правераны: Палікарпаў Савелій

Падзяліцеся інфармацыяй:
Папярэднія артыкулы
БМВ E38: Электрычныя схемы
Наступныя артыкулы

Абаграванне пярэдняга шкла
Сістэма кандыцыянавання паветра
Супрацьугонная сістэма
Адзіны замак
Электрасхема тэмпапата
Падагрэў фарсунак шклоамывальнікаў
Падагрэў перадпакояў сядзенняў
Падагрэў задняга сядзення
Электрасхема шклапад'ёмнікаў
Верхні люк


Падобныя артыкулы іншых тыпаў аўтамабіляў БМВ:
Абаграванне соплаў абмывальнікаў шкла BMW 3 Series E46 (1998-2006)
Аўтамагнітола і абагравальнік задняга шкла BMW 3 Series E46 (1998-2006, бензін)
Абаграванне задняга шкла BMW 5 Series E34 (1988-1996)
Абаграванне задняга шкла BMW 5 Series E39 (1995-2003)
Шклоачышчальнік задняга шкла BMW X3 E83 (2003-2010)
Замена рычага шклоачышчальніка задняга шкла BMW X5 E53 (1999-2006)
Спасылка ў розных фарматах на гэтую старонку


Каментары наведвальнікаў

Каментароў пакуль няма


Колькі будзе 35 + 30 =

       



BMW E38 (1994-2001) 
  • Агульная інфармацыя
  • Уводзіны ў кіраўніцтва
  • Інструкцыя па эксплуатацыі
  • Тэхнічнае абслугоўванне
  • Сілавы агрэгат
  • Рухавік M60/1, M60/2 (бензін)
  • Рухавік M62 (бензін)
  • Рухавік M57 (дызель)
  • Рухавік M67 (дызель)
  • Сістэма ахладжэння
  • Сістэма харчавання (бензін)
  • Сістэма харчавання (дызель)
  • Выхлапная сістэма
  • Сістэмы запальвання і кіравання
  • Сістэмы зарада і запуску
  • Трансмісія
  • Счапленне
  • Механічная скрынка
  • Аўтаматычная трансмісія
  • Карданны і прывадныя валы
  • Шасі
  • Тармазная сістэма
  • Пярэдняя падвеска
  • Задняя падвеска
  • Рулявое кіраванне
  • Кузаў
  • Экстэр'ер
  • Інтэр'ер
  • Электраабсталяванне
  • Абсталяванне і прыборы
  • Асвятляльныя прыборы
  • Ацяпленне і кандыцыянер
  • Электрычныя схемы
BMW E32 (1986-1994) 
  • Агульная інфармацыя
  • Догляд і тэхабслугоўванне
  • Сілавы агрэгат
  • Дробны рамонт рухавіка
  • Капітальны рамонт рухавіка
  • Сістэма змазкі
  • Сістэма ахладжэння
  • Сістэма запальвання
  • Сістэма харчавання
  • Сістэма ўпырску (бензін)
  • Сістэма ўпырску (дызель)
  • Сістэма выпуску
  • Трансмісія
  • Счапленне
  • Механічная каробка перадач
  • Аўтаматычная каробка перадач
  • Карданная перадача
  • Задні мост і валы
  • Шасі
  • Пярэдняя падвеска
  • Задняя падвеска
  • Рулявое кіраванне
  • Колы і шыны
  • Тармазная сістэма
  • Кузаў
  • Элементы кузава
  • Электраабсталяванне
  • Абсталяванне і прыборы
  • Электрычныя схемы
BMWman.ru © 2017-2026 · Мабільная версія · Навіны і артыкулы · Мапа сайту: EN BG BY UA RS HR RO PL SK HU · Зваротная сувязь · Пошук па сайце
3er E21 · 3er E30 · 3er E36 · 3er E46 [бензін] · 3er E46 · 5er E12 · 5er E28 · 5er E34 · 5er E39 · 7er E32 · 7er E38 · X3 E83 · X5 E53 ·
Гэты сайт выкарыстоўвае файлы cookie 🍪, без іх некаторыя функцыі проста не будуць працаваць.