Автомобили Mazda Автомобили Mitsubishi Автомобили Toyota Автомобили Chevrolet Автомобили AvtoVAZ Автомобили Kia Автомобили Nissan
Русский English
Български
Беларускі
Український
Српски
Hrvatski
Română
Polski
Slovenský
Magyar
| Статьи | Контакты | Карта |   
BMWman.ru
 
 
 
 
 
 

3 серия   5 серия   7 серия   BMW X3   BMW X5   BMW X6

E38 (1994-2001) E32 (1986-1994)
  • Главная
  • БМВ 7 серия
  • E38
  • Электрооборудование
  • Электрические схемы
  • Электропривод заднего правого подголовника

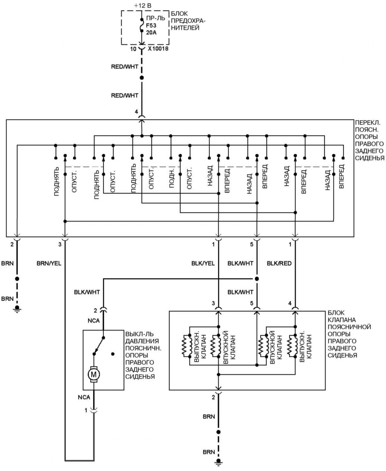
Электропривод заднего правого подголовника (BMW 7 Series E38)

            0

Электропривод заднего правого подголовника



Открыть большую картинку в новой вкладке »
Открыть большую картинку в новой вкладке »

Обозначения к этой электрической схеме смотрите здесь →

Эта статья доступна на английском, болгарском, белорусском, украинском, сербском, хорватском, румынском, польском, словацком, венгерском
Статья проверена: Поликарпов Савелий

Поделитесь информацией:
Предыдущие статьи
БМВ E38: Электрические схемы
Следующие статьи

Электропривод заднего левого подголовника
Электропривод подголовника сиденья переднего пассажира
Электропривод подголовника сиденья водителя
Электропривод подголовников
Электропривод сиденья переднего пассажира
Распределение мощности


Похожие статьи других типов автомобилей БМВ:
Замена заднего сальника коленчатого вала BMW 3 Series E21 (1975-1983)
Колодки заднего тормоза — замена BMW 3 Series E46 (1998-2006, бензин)
Определение толщины регулировочного кольца заднего подшипника… BMW 5 Series E12 (1972-1981)
Снятие и установка карданного вала / главной передачи заднего моста BMW 5 Series E39 (1995-2003)
Выключатель фонарей заднего хода BMW X3 E83 (2003-2010)
Зеркала заднего вида BMW X5 E53 (1999-2006)
Ссылка в разных форматах на эту страницу


Комментарии посетителей

Комментариев пока нет


Сколько будет 41 + 14 =

       





BMW E38 (1994-2001) 
  • Общая информация
  • Введение в руководство
  • Руководство по эксплуатации
  • Техническое обслуживание
  • Силовой агрегат
  • Двигатель M60/1, M60/2 (бензин)
  • Двигатель M62 (бензин)
  • Двигатель M57 (дизель)
  • Двигатель M67 (дизель)
  • Система охлаждения
  • Система питания (бензин)
  • Система питания (дизель)
  • Выхлопная система
  • Системы зажигания и управления
  • Системы заряда и запуска
  • Трансмиссия
  • Сцепление
  • Механическая коробка
  • Автоматическая трансмиссия
  • Карданный и приводные валы
  • Шасси
  • Тормозная система
  • Передняя подвеска
  • Задняя подвеска
  • Рулевое управление
  • Кузов
  • Экстерьер
  • Интерьер
  • Электрооборудование
  • Оборудование и приборы
  • Осветительные приборы
  • Отопление и кондиционер
  • Электрические схемы
BMW E32 (1986-1994) 
  • Общая информация
  • Уход и техобслуживание
  • Силовой агрегат
  • Мелкий ремонт двигателя
  • Капитальный ремонт двигателя
  • Система смазки
  • Система охлаждения
  • Система зажигания
  • Система питания
  • Система впрыска (бензин)
  • Система впрыска (дизель)
  • Система выпуска
  • Трансмиссия
  • Сцепление
  • Механическая коробка передач
  • Автоматическая коробка передач
  • Карданная передача
  • Задний мост и валы
  • Шасси
  • Передняя подвеска
  • Задняя подвеска
  • Рулевое управление
  • Колеса и шины
  • Тормозная система
  • Кузов
  • Элементы кузова
  • Электрооборудование
  • Оборудование и приборы
  • Электрические схемы
Анекдот про автомобили:
хочу ещё анекдот
BMWman.ru © 2017-2026 · Мобильная версия · Новости и статьи · Карта сайта: EN BG BY UA RS HR RO PL SK HU · Обратная связь · Поиск по сайту
3er E21 · 3er E30 · 3er E36 · 3er E46 [бензин] · 3er E46 · 5er E12 · 5er E28 · 5er E34 · 5er E39 · 7er E32 · 7er E38 · X3 E83 · X5 E53 · Автомобильные новости · История моделей БМВ · Основы ремонта автомобилей · Техобслуживание двигателей «M» · Ремонт двигателей М50 · Ремонт двигателей М52 и М52TU · Ремонт двигателей М54/М56 и S54 · Ремонт двигателей S38 · Ремонт двигателей S50-S54