Автомобили Mazda Автомобили Mitsubishi Автомобили Toyota Автомобили Chevrolet Автомобили AvtoVAZ Автомобили Kia Автомобили Nissan
Русский English
Български
Беларускі
Український
Српски
Hrvatski
Română
Polski
Slovenský
Magyar
| Статьи | Контакты | Карта |   
BMWman.ru
 
 
 
 
 
 

3 серия   5 серия   7 серия   BMW X3   BMW X5   BMW X6

E39 (1995-2003) E34 (1988-1996) E28 (1981-1988) E12 (1972-1981)
  • Главная
  • БМВ 5 серия
  • E12
  • Электрооборудование
  • Оборудование и приборы
  • Детали стартера

Детали стартера (BMW 5 Series E12)

            0

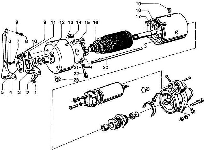
Детали стартера:

Детали стартера:

15 — щеткодержатель; 16 — якорь; 17 — корпус с полюсной системой.

Эта статья доступна на английском, болгарском, белорусском, украинском, сербском, хорватском, румынском, польском, словацком, венгерском
Статья проверена: Поликарпов Савелий

Поделитесь информацией:
Предыдущие статьи
БМВ E12: Оборудование и приборы
Следующие статьи

Снятие и установка генератора
Детали генератора
Спецификации ламп и предохранителей
Спецификации стартера
Спецификации генератора
Снятие и установка стартера
Замена тягового реле
Разборка и сборка стартера
Детали фароочистителя
Детали стеклоочистителя


Похожие статьи других типов автомобилей БМВ:
Детали стартера BMW 3 Series E21 (1975-1983)
Диагностика неисправностей стартера BMW 7 Series E32 (1986-1994)
Снятие и установка стартера BMW 7 Series E38 (1994-2001)
Хромированные детали BMW X3 E83 (2003-2010)
Снятие и установка стартера BMW X5 E53 (1999-2006)
Ссылка в разных форматах на эту страницу


Комментарии посетителей

Комментариев пока нет


Сколько будет 29 + 30 =

       





BMW E39 (1995-2003) 
  • Общая информация
  • Органы управления
  • Руководство по эксплуатации
  • Техническое обслуживание
  • Силовой агрегат
  • Ремонт двигателей
  • Система смазки
  • Система охлаждения
  • Система зажигания
  • Система питания
  • Система впрыска (бензин)
  • Система впрыска (дизель)
  • Выхлопная система
  • Трансмиссия
  • Сцепление
  • Коробка передач
  • Передний мост
  • Задний мост
  • Шасси
  • Рулевое управление
  • Тормозная система
  • Колеса и шины
  • Кузов
  • Интерьер
  • Экстерьер
  • Система отопления
  • Электрооборудование
  • Оборудование и приборы
  • Силовые устройства
  • Стеклоочистители
  • Электрические схемы
BMW E34 (1988-1996) 
  • Общая информация
  • Руководство по эксплуатации
  • Техническое обслуживание
  • Силовой агрегат
  • Ремонт двигателей
  • Система зажигания
  • Система смазки двигателя
  • Система охлаждения
  • Система питания (бензин)
  • Система питания (дизель)
  • Выхлопная система
  • Трансмиссия
  • Сцепление
  • Коробка передач
  • Шасси
  • Передняя и задняя подвеска
  • Рулевое управление
  • Тормозная система
  • Кузов
  • Экстерьер
  • Интерьер
  • Электрооборудование
  • Система отопления
  • Оборудование и приборы
  • Силовые устройства
  • Электрические схемы
BMW E28 (1981-1988) 
  • Общая информация
  • Руководство по эксплуатации
  • Техническое обслуживание
  • Силовой агрегат
  • Двигатель в автомобиле
  • Капремонт двигателя
  • Система охлаждения
  • Система питания
  • Система зажигания
  • Система управления
  • Трансмиссия
  • Сцепление
  • Механическая коробка передач
  • Автоматическая трансмиссия
  • Трансмиссионная линия
  • Шасси
  • Рулевое управление
  • Передняя подвеска
  • Задняя подвеска
  • Тормозная система
  • Кузов
  • Элементы кузова
  • Уход за автомобилем и окраска
  • Электрооборудование
  • Отопитель и кондиционер
  • Оборудование и приборы
  • Стартер и генератор
  • Электрические схемы
BMW E12 (1972-1981) 
  • Общая информация
  • Эксплуатация и техобслуживание
  • Технические характеристики
  • Силовой агрегат
  • Ремонт двигателей
  • Система охлаждения и смазки
  • Система питания
  • Система питания «Экотроник»
  • Система впрыска топлива
  • Система зажигания
  • Трансмиссия
  • Сцепление
  • Коробка передач BMW 242/4
  • Коробка передач Getrag 262/8
  • Коробка передач Getrag 265/6
  • Автоматическая коробка
  • Карданная передача
  • Задний мост
  • Шасси
  • Рулевое управление
  • Передняя подвеска
  • Задняя подвеска
  • Тормозная система
  • Электрооборудование
  • Оборудование и приборы
  • Электрические схемы
Анекдот про автомобили:
хочу ещё анекдот
BMWman.ru © 2017-2026 · Мобильная версия · Новости и статьи · Карта сайта: EN BG BY UA RS HR RO PL SK HU · Обратная связь · Поиск по сайту
3er E21 · 3er E30 · 3er E36 · 3er E46 [бензин] · 3er E46 · 5er E12 · 5er E28 · 5er E34 · 5er E39 · 7er E32 · 7er E38 · X3 E83 · X5 E53 · Автомобильные новости · История моделей БМВ · Основы ремонта автомобилей · Техобслуживание двигателей «M» · Ремонт двигателей М50 · Ремонт двигателей М52 и М52TU · Ремонт двигателей М54/М56 и S54 · Ремонт двигателей S38 · Ремонт двигателей S50-S54