Е1 Фонарь заднего света левый 14
Е2 Фонарь заднего света правый 16
ЕЗ Подсвет платы переключателей 19
Е4 Обогрев заднего стекла 23
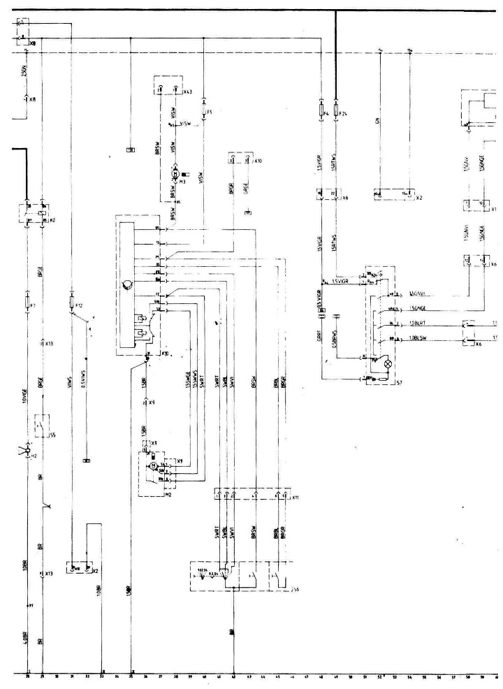
F4 Предохранитель сигнализации указателей поворотов 48
F5 Предохранитель очистителя, омывателя интенсивной системы очистки фар 40
F7 Предохранитель фанфар 28
F8 Предохранитель обогрева заднего стекла 23
F9 Предохранитель электрооборудования двигателя фонарей заднего хода 25
F10 Предохранитель приборов 20
F11 Предохранитель топливного насоса, насоса предварительной подкачки топлива 72
F12 Предохранитель радиоприемника, системы опроса накопителя отказов, приборов 31
F16 Предохранитель системы обогрева сидений 14
F17 Предохранитель сдвижной панели крыши, электрического стеклоподъемника 6
F19 Предохранитель электропривода наружного зеркала, кондиционера 18
F24 Предохранитель системы аварийной сигнализации (30SA24) 49
G1 Аккумулятор 1
G2 Генератор 2
Н2 Фанфара I 28
Н4 Указатель поворотов передний правый 62
Н5 Указатель поворотов задний правый 63
Н6 Указатель поворотов задний левый 64
Н7 Указатель поворотов передний левый 65
К2 Реле фанфар (в распределительной коробке) 28, 29
К5 Реле обогрева сидений и сдвижной панели крыши(в распределительной коробке) 13, 14
К7 Реле вентилятора системы отопления, обогревазаднего стекла (в распределительной коробке) 20, 21
К10 Блок управления работы стеклоочистителей и омывателей в интервальном режиме работы (в распределительной коробке) 34-36
К11 Реле блокировки запуска двигателя (только при автоматической трансмиссии, за нижней облицовкой рулевой колонки) 7,8
К12 Реле системы аварийной сигнализации(в рулевой колонке) 58-65
M1 Мотор стартера 3,4
М2 Мотор стеклоочистителя 36, 37
М3 Насос омывателя 38
М4 Топливный насос (только для 1,8i) 72
S1 Выключатель коробки (только при автоматической трансмиссии) 9-12
S2 Выключатель фонарей заднего хода 14
S3 Выключатель зажигания и паркингового света 16,17
S3.1 Выключатель зажигания
S4 Выключатель обогрева заднего стекла 21-24
S5 Выключатель звукового сигнала 29
S6 Переключатель стеклоочистителя 39-46
S7 Выключатель аварийной сигнализации 51-53
S8 Переключатель указателей поворота ближнего света фар
S8.1 Переключатель указателей поворота
W1 Токовая шина в распределительной коробке 1 - 75
X1 Разъемное соединение основного жгута проводов — жгута проводов двигателя, 20 контактов (моторный отсек) 2, 4, 25, 72
Х2 Разъем подключения спецоборудования, 26 контактов (за нижней облицовкой рулевой колонки) 3, 6, 14, 17, 31, 32, 52, 54
ХЗ Разъемное соединение основного жгута проводов с выключателем зажигания 9, 23, 25
Х4 Разъемное соединение системы увеличения числа оборотов холостого хода (у туннеля, провода автоматической трансмиссии) 9
Х5 Разъемное соединение основного жгута проводов с выключателем фонарей заднего хода, 2 контакта (у туннеля, провода автоматической трансмиссии) 14
Х6 Разъемное соединение основного жгута проводов с приборной доской, 30 контактов (за нижней облицовкой рулевой колонки) 19, 23, 48, 49, 58, 59
Х8 Разъемное соединение, 8 контактов (в распределительной коробке) 23, 28, 72
Х9 Разъем мотора стеклоочистителя 36, 37
X10 Разъем устройства очистки фар 42, 43
X11 Разъемное соединение основного жгута проводов с переключателем стеклоочистителя, 6 контактов(за облицовкой рулевой колонки) 41-46
Х13 Разъемное соединение основного жгута проводов с переключателем указателей поворотов ближнего света фар, 13 контактов (за облицовкой рулевой колонки) 29, 58, 59, 63, 64, 68
Х26 Разъемное соединение датчика спидометра 73
Х29 Разъемное соединение выключателя зажигания клемма 50, 4
Х39 Разъемное соединение системы охранной сигнализации 72
Х43 Разъемное соединение обогревателей жиклеров омывателя 37, 38
Провода
_._._._ — 2,4d
_.._.._.._ — 1.8i
