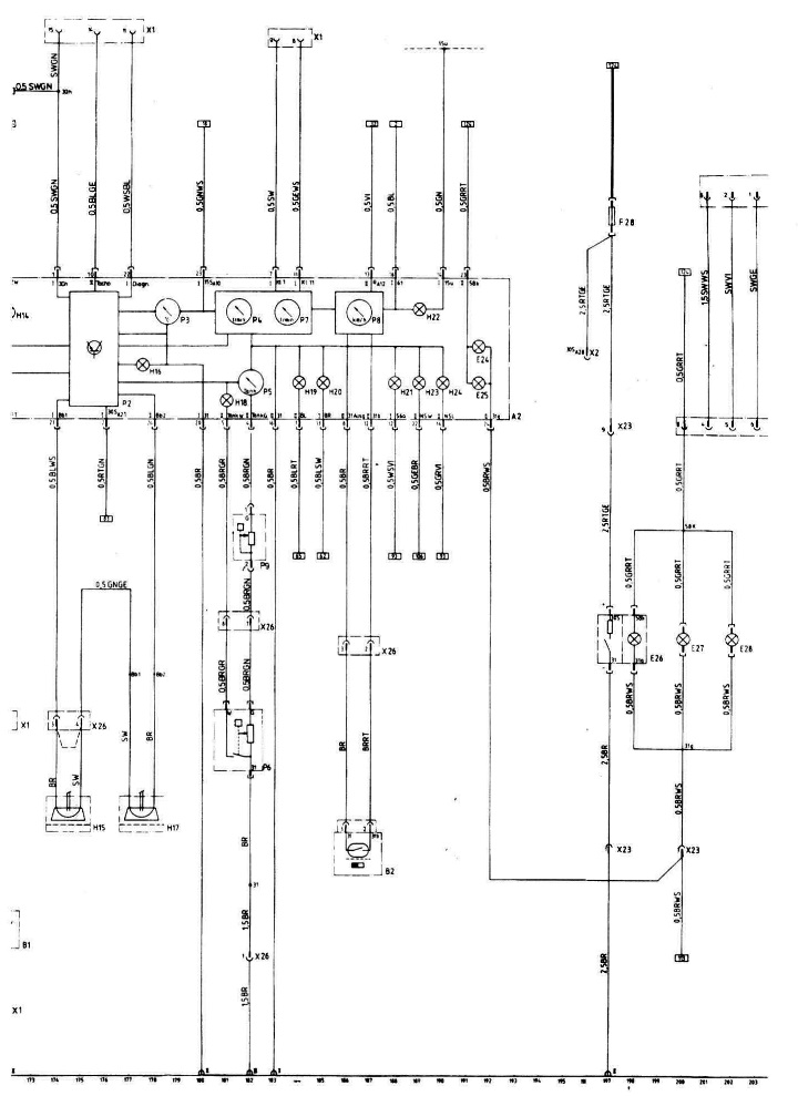
A2 Комплект приборов 169-193
B1 Датчик температуры охлаждающей жидкости 172
B2 Датчик спидометра 186-187
E24 Подсвет приборной доски I 191
E25 Подсвет приборной доски II 191
E26 Прикуриватель 198
E27 Подсвет пульта отопителя I 200
E28 Подсвет пульта отопителя II 202
F1 Предохранитель клапана системы охлаждения 206
F20 Предохранитель вентилятора системы отопления 208
F28 Предохранитель прикуривателя, системы обогрева на стоянке 197
H11 Контрольная лампа ручного тормоза 169
H12 Контрольная лампа уровня тормозной жидкости 170
H13 Контрольная лампа давления масла 171
H14 Центральная контрольная лампа 172
H15 Датчик износа тормозных колодок заднего правого колеса 174-175
H16 Контрольная лампа индикации износа тормозных колодок 177
H17 Датчик износа тормозных колодок переднего левого колеса 177-178
H18 Сигнальная лампа остатка топлива 181
H19 Контрольная лампа указателей поворотов левых 184
H20 Контрольная лампа указателей поворотов правых 185
H21 Контрольная лампа дальнего света 188
H22 Контрольная лампа заряда аккумулятора 189
H23 Контрольная лампа противотуманных фар 189
H24 Контрольная лампа задних противотуманных фонарей 190
M5 Мотор привода наружного зеркала 163-166
M6 Мотор привода дополнительного наружного зеркала 163-166
M7 Могор вентилятора системы отопления 215
P2 Индикатор интервалов технического обслуживания 177
P3 Указатель температуры охлаждающей жидкости 179
P4 Электронный тахометр 181
P5 Указатель запаса топлива 182
P6 Датчик запаса топлива I 181, 182
P7 Указатель расхода топлива 184
P8 Электронный спидометр 186
Р9 Датчик запаса топлива II 182
R1 Балластные сопротивления мотора вентилятора 210-213
S19 Переключатель зеркала в сборе
S19.1 Переключатель зеркала на двери водителя 152-156
S19.2 Переключатель зеркала на двери переднего пассажира 152-156
S20 Выключатель ручного тормоза 169
S21 Выключатель уровня тормозной жидкости 170
S22 Выключатель давления масла 171
S23 Концевой выключатель клапана системы охлаждения 206
S24 Выключатель вентилятора 210-215
X1 Разъемное соединение основного жгута проводов — жгута проводов двигателя, 20 контактов (моторный отсек) 171, 172, 174, 176, 177, 183, 184
Х2 Разъем подключения спецоборудования, 26 контактов (за нижней облицовкой рулевой колонки) 196
Х6 Разъемное соединение основного жгута проводов с приборной доской, 30 контактов, (за нижней облицовкой рулевой колонки) 185
Х15 Разъемное соединение основного жгута проводов электропроводки дверей, 4 контакта 151, 153
Х18 Разъемное соединение жгута проводов двери водителя, соединения двери водителя и двери переднего пассажира 152-155
Х19 Разъемное соединение жгута проводов двери переднего пассажира, соединения двери водителя и двери переднего пассажира 152-156
Х20 Разъем наружного зеркала с электроприводом 159
Х21 Разъем дополнительного наружного зеркала с электроприводом 159
Х23 Разъемное соединение жгута проводов пульта отопителя, 12 контактов 197, 200, 204, 208, 201, 205
Х24 Разъем кондиционера, 5 контактов 201-205
Х26 Разъемное соединение провода датчика спидометра, 8 контактов 174, 175, 181, 182, 186-187
Y1 Клапан системы охлаждения 206
Электрическая схема дана для автомобиля в снаряженном состоянии при отпущенном ручном тормозе.
