- Главная
- БМВ 5 серия
- E12
- Силовой агрегат
- Система питания «Экотроник»
- Внешний вид и описание карбюратора 2BE
Внешний вид и описание карбюратора 2BE (BMW 5 Series E12)
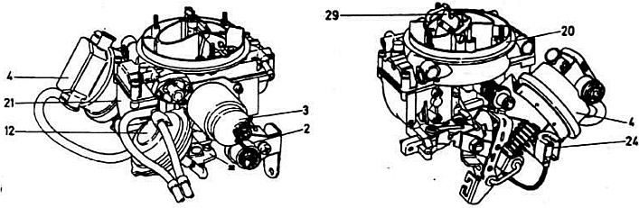
Внешний вид карбюратора 2ВЕ:
2 — потенциометр дроссельной заслонки 1-й камеры; 3 — сервопривод воздушной заслонки; 4 — сервопривод дроссельной заслонки 1-й камеры; 12 — пневмопривод дроссельной заслонки 2-й камеры; 20 — крышка карбюратора; 21 — корпус карбюратора; 22 — корпус дроссельных заслонок; 24 — разъем выключателя холостого хода; 29 — воздушная заслонка.
Особенности устройства
Карбюратор эмульсионного типа, двухкамерный, с последовательным открытием дроссельных заслонок. Он отличается компактной конструкцией и малой высотой. Каждая камера имеет поплавковую камеру и отдельный поплавок, вследствие этого карбюратор нечувствителен к действию центробежной силы, возникающей при поворотах, и инерции при резких ускорениях и торможениях. Карбюратор может устанавливаться по продольной или поперечной оси автомобиля. Благодаря применению затопленных жиклеров (т.е. они расположены ниже уровня топлива) и специальному расположению топливных каналов 8 карбюраторе полностью исключена возможность образования паров бензина. Карбюратор имеет два независимых друг от друга экономайзера с затопленными жиклерами. Это обеспечивает оптимальную адаптацию карбюратора ко всем режимам работы двигателя. Ниже приводится описание конструкции и принципа действия основных частей карбюратора.
Корпус дроссельных заслонок (поз. 22 см. рисунки)
В корпусе дроссельных заслонок размещены оси дроссельных заслонок, каждая из которых вращается в двух подшипниках, рычаги, возвратные пружины и упоры осей дроссельных заслонок, а также регулировочный винт качества (состава) смеси холостого хода. Эмульсионные каналы системы холостого хода, каналы переходных систем 1-й и 2-й камер и отверстия для запорного (блокировочного) клапана 2-й камеры выполнены непосредственно в теле корпуса дроссельных заслонок. Отверстия для отбора вакуума для вакуумного корректора датчика-распределителя зажигания и для электропневматического привода дроссельной заслонки 1-й камеры соединены с ними шлангами.
В зоне открытия дроссельной заслонки 1-й камеры просверлено отверстие для отбора вакуума для управления воздушным клапаном системы торможения двигателем.

Корпус карбюратора (поз.21)
Помимо двух поплавковых камер, диффузоров и соответствующих отверстий, в корпусе карбюратора размещен топливный жиклер переходной системы 2-й камеры. Соединительная трубка системы управления 2-й камеры запрессована в корпус карбюратора. На корпусе установлены пневмопривод диафрагменного типа дроссельной заслонки 2-й камеры и сервоприводы воздушной заслонки и дроссельной заслонки 1-й камеры.
Потенциометр дроссельной заслонки 1-й камеры (поз.2)
Потенциометр предназначен для корректирования положения и отслеживания перемещений дроссельной заслонки 1-й камеры. Информации от потенциометра поступает на контроллер. Потенциометр вращается вокруг своей оси и имеет встроенную возвратную пружину для компенсации зазора. В целях учета изменений, обусловленных производственными допусками, потенциометр механически связан с осью дроссельной заслонки первой камеры.
Сервопривод воздушной заслонки (поз. 3)
Сервопривод воздушной заслонки управляется контроллером и определяет состав топливовоздушной смеси при холодном пуске, прогреве, разгоне и на режиме частичной нагрузки двигателя. Обогащение горючей смеси обеспечивается за счет падения давления вследствие закрытия воздушной заслонки и перемещения иглы воздушного жиклера холостого хода в зависимости от положения воздушной заслонки (тем самым уменьшается проходное сечение воздушного жиклера холостого хода).
Регулировка состава топливовоздушной смеси (а зависимости от количества поступающего воздуха и положения воздушной заслонки) главным образом зависит от располагаемого момента в зоне воздушной заслонки, ось которой смещена, поэтому ее сервопривод работает как моментный двигатель. Производимый двигателем момент в свою очередь зависит от углового положения воздушной заслонки и от подводимого к нему электрического напряжения.
Противодействующий момент возникает за счет давления всасываемого воздуха, отклоняющего воздушную заслонку, и действия пружины иглы воздушного жиклера холостого хода. В сервоприводе применен электродвигатель с колокообразмым якорем, имеющий малый момент инерции и обеспечивающий высокую точность регулирования скорости перемещения сервопривода и самой воздушной заслонки. Момент от сервопривода на ось воздушной заслонки передается тягой.
Сервопривод дроссельной заслонки 1-й камеры с выключателем холостого хода (поз. 4)
Сервопривод дроссельной заслонки 1-й камеры представляет собой электропневматический исполнительный двигатель, управляющий наполнением цилиндров двигателя. Толкатель сервопривода перемешается посредством диафрагмы, подвергающейся действию разрежения и преодолевающей сопротивление возвратной пружины. Необходимое рабочее давление создается посредством двух электромагнитных клапанов, один из которых работает в зависимости от атмосферного давления, а другой — от разрежения во впускном коллекторе.
С встроенного в сервопривод потенциометра снимается сигнал о положении толкателя сервопривода. Толкатель перемещает дроссельную заслонку с помощью рычага, насаженного на ее ось.
Контроллер постоянно корректирует наполнение цилиндров. Это позволяет поддерживать при любых условиях эксплуатации постоянный режим холостого хода и управлять работой карбюратора при холодном пуске, коррекцией работы двигателя непосредственно после пуска, во время прогрева и при прекращении подачи топлива при падении числа оборотов и остановке двигателя.
В толкатель сервопривода дроссельной заслонки 1-й камеры встроен выключатель холостого хода. При нажатии на выключатель холостого хода рычагом управления дроссельной заслонкой 1-й камеры (выключатель разомкнут) в контроллер поступает информация, на основе которой регулируется холостой ход двигателя. После отхода рычага управления дроссельной заслонкой 1-й камеры от выключателя холостого хода в контроллер выдается информация об увеличении частоты вращения коленчатого вала.
В части сервопривода дроссельной заслонки 1-й камеры, подвергающейся действию разрежения впускного коллектора, в его корпус встроен обратный клапан. Для недопущения загрязнения сервопривода в шланг подвода атмосферного давления вмонтирован фильтр.
Крышка карбюратора (поз. 20)
В отличие от крышки обычных карбюраторов в крышке карбюратора 2ВЕ размещено большое количество деталей, основными из которых являются:
- патрубок подачи топлива с фильтром;
- распылители 1-й и 2-й камер;
- два игольчатых клапана;
- два поплавка;
- запорный (блокировочный) клапан 2-й камеры (в канале подвода топлива ко 2-й камере).;
- воздушная заслонка со смещенной осью и рычагом управления иглой воздушного жиклера холостого хода 1-й камеры;
- воздушный жиклер холостого хода 1-й камеры с иглой регулировки подачи воздуха на холостом ходу в зависимости от положения воздушной заслонки;
- топливный жиклер холостого хода с эмульсионной трубкой;
- главные топливные жиклеры 1-й и 2-й камер;
- главные воздушные жиклеры с эмульсионными трубками 1-й и 2-й камер;
- переходная система 2-й камеры;
- калиброванные трубки экономайзеров мощностных режимов 1-й и 2-й камер и трубки обогащения горючей смеси.
Внешний вид карбюратора 2ВЕ:
1 — корпус дроссельных заслонок; 2 — поплавковые камеры; 3 — крышка карбюратора; 4 — воздушная заслонка; 5 — игла воздушного жиклера холостого хода; 6 — сервопривод дроссельной заслонки 1-й камеры; 7 — выключатель холостого хода; 8 — разъем выключателя холостого хода; 9 — потенциометр дроссельной заслонки 1-й камеры; 10 — сервопривод воздушной заслонки; 11 — запорный (блокировочный) клапан 2-й камеры; 12 — пневмопривод 2-й камеры.
Разрез карбюратора 2ВЕ:
18 — патрубок подачи топлива с фильтром; 52 — поплавок поплавковой камеры 1-й камеры; 53 — игольчатый клапан 1-й камеры; 56 — игольчатый клапан 2-й камеры; 57 — поплавок поплавковой камеры 2-й камеры; 59 — запорный клапан 2-й камеры; 60 — диафрагма; 61 — пружина запорного клапана 2-й камеры.
Эта статья доступна на английском, болгарском, белорусском, украинском, сербском, хорватском, румынском, польском, словацком, венгерском
Статья проверена: Поликарпов Савелий
Поделитесь информацией:
Предыдущие статьи
БМВ E12: Система питания «Экотроник»
Следующие статьи
Похожие статьи других типов автомобилей БМВ:
Снятие и установка карбюратора Solex DIDTA 32/32 BMW 3 Series E21 (1975-1983)
Привод изменения хода клапанов (двигатель N42) — описание и замена… BMW 3 Series E46 (1998-2006, бензин)
Общее описание автомобиля BMW 7 Series E32 (1986-1994)
Предохранители — общее описание BMW X3 E83 (2003-2010)
Блок цилиндров — описание конструкции BMW X5 E53 (1999-2006)
Снятие и установка карбюратора Solex DIDTA 32/32 BMW 3 Series E21 (1975-1983)
Привод изменения хода клапанов (двигатель N42) — описание и замена… BMW 3 Series E46 (1998-2006, бензин)
Общее описание автомобиля BMW 7 Series E32 (1986-1994)
Предохранители — общее описание BMW X3 E83 (2003-2010)
Блок цилиндров — описание конструкции BMW X5 E53 (1999-2006)
Ссылка в разных форматах на эту страницу
Комментарии посетителей
Комментариев пока нет
- Общая информация
- Органы управления
- Руководство по эксплуатации
- Техническое обслуживание
- Силовой агрегат
- Ремонт двигателей
- Система смазки
- Система охлаждения
- Система зажигания
- Система питания
- Система впрыска (бензин)
- Система впрыска (дизель)
- Выхлопная система
- Трансмиссия
- Сцепление
- Коробка передач
- Передний мост
- Задний мост
- Шасси
- Рулевое управление
- Тормозная система
- Колеса и шины
- Кузов
- Интерьер
- Экстерьер
- Система отопления
- Электрооборудование
- Оборудование и приборы
- Силовые устройства
- Стеклоочистители
- Электрические схемы
- Общая информация
- Руководство по эксплуатации
- Техническое обслуживание
- Силовой агрегат
- Ремонт двигателей
- Система зажигания
- Система смазки двигателя
- Система охлаждения
- Система питания (бензин)
- Система питания (дизель)
- Выхлопная система
- Трансмиссия
- Сцепление
- Коробка передач
- Шасси
- Передняя и задняя подвеска
- Рулевое управление
- Тормозная система
- Кузов
- Экстерьер
- Интерьер
- Электрооборудование
- Система отопления
- Оборудование и приборы
- Силовые устройства
- Электрические схемы
- Общая информация
- Руководство по эксплуатации
- Техническое обслуживание
- Силовой агрегат
- Двигатель в автомобиле
- Капремонт двигателя
- Система охлаждения
- Система питания
- Система зажигания
- Система управления
- Трансмиссия
- Сцепление
- Механическая коробка передач
- Автоматическая трансмиссия
- Трансмиссионная линия
- Шасси
- Рулевое управление
- Передняя подвеска
- Задняя подвеска
- Тормозная система
- Кузов
- Элементы кузова
- Уход за автомобилем и окраска
- Электрооборудование
- Отопитель и кондиционер
- Оборудование и приборы
- Стартер и генератор
- Электрические схемы
- Общая информация
- Эксплуатация и техобслуживание
- Технические характеристики
- Силовой агрегат
- Ремонт двигателей
- Система охлаждения и смазки
- Система питания
- Система питания «Экотроник»
- Система впрыска топлива
- Система зажигания
- Трансмиссия
- Сцепление
- Коробка передач BMW 242/4
- Коробка передач Getrag 262/8
- Коробка передач Getrag 265/6
- Автоматическая коробка
- Карданная передача
- Задний мост
- Шасси
- Рулевое управление
- Передняя подвеска
- Задняя подвеска
- Тормозная система
- Электрооборудование
- Оборудование и приборы
- Электрические схемы
Анекдот про автомобили:
хочу ещё анекдот
