Снять катушки зажигания и вывернуть все свечи зажигания. Снять крышку головки блока цилиндров, освободив доступ к распределительным валам. Отвернуть гайку (7, см. рис. 3.13) и снять цилиндр поршня натяжителя цепи, который находится под значительным давлением пружины.
1 - коленчатый вал; 2,8,14,15 - звездочка; 3 - планка натяжителя; 4 - поршень; 5 - пружина; 6 - уплотнительное кольцо; 7 - болт крышки; 9,16 - цепь; 10,12 - болт планки; 13 - шпонка; 17 - выпускной распредвал; 18 - впускной распредвал; 19 - гидротолкатель; 20 - сухари клапана; 21 - верхняя тарелка; 22 - пружина; 23 - нижняя тарелка; 24 - маслосъемный колпачок; 25 - впускной клапан; 26 - выпускной клапан
Установить приспособление «11.4.220» (см. рис. 3.117) и вращая регулировочный винт только подвести его к планке натяжителя.

Предварительно натянуть планку натяжного устройства с помощью приспособление «11.4.220», вворачивая его регулировочный болт приспособлением «00.9.250» или обычным динамометрическим ключом, приложив момент 0,7 Н·м (0,07 кг·м).
Отсоединить напорный маслопровод (30, см. рис. 3.63) системы D-VANOS и установить приспособление «11.3.450» (рис. 3.120) с пустотелым болтом напорного маслопровода.
1, 19 - заглушка; 2 - гайка; 3 - защитный кожух; 4 - накладка; 5, 28, 31, 33, 39 - уплотнительное кольцо; 6, 23 - штифт установочный; 7 - резинометаллический шарнир; 8, 9 - колпачковая гайка; 10 - шайба прокладочная; 11 - уплотнитель; 12, 13, 14 - профильная прокладка; 15, 37 - кольцо уплотнительное (17x3); 16, 35 - датчик распределительного вала; 17, 34 - болт (М6х16); 18 - болт прецизионный; 20 - пробка с уплотнительным кольцом; 21 - гака фланца; 22 - крепление; 24 - гайка М6; 25 - перемычка «массы»; 26 - болт (М6х10); 27 - гайка М8; 29, 32 - пустотелый болт; 30 - маслопровод; 36 - ЭМК; 37 - кольцо (17x3); 38 - поршень; 39 - пружина; 40 - головка блока цилиндров; 41 - уплотнитель металлический; 42 - исполнительный узел; 43 - крышка маслоналивной горловины; 44 - крышка головки

Внимание! Сверху накрыть исполнительный узел системы «D-VANOS», т.к. при подаче сжатого воздуха из отверстия системы брызнет струя масла.
Подключить к приспособлению «11.3.450» источник сжатого воздуха (2-8 бар). Повернуть коленчатый вал двигателя за центральный болт по направлению вращения до тех пор, пока поршень первого цилиндра не встанет ВМТ окончания такта сжатия (см. рис. 3.106), при этом давление воздуха должно быть подано.

Вершины кулачков распределительных валов первого цилиндра должны быть обращены друг к другу (пунктирные линии).
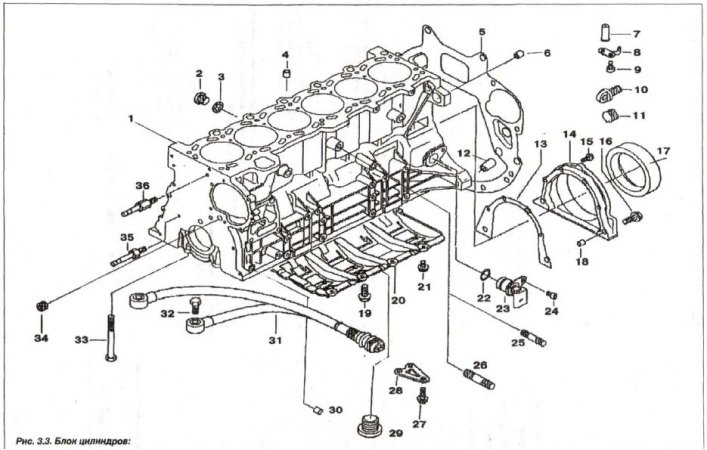
Извлечь пылезащитную заглушку (10, см. рис. 3.3) из отверстия в картере двигателя и заблокировать коленчатый вал в ВМТ окончания такта сжатия первого цилиндра приспособлением «11.2.300».
1 - блок цилиндров; 2 - резьбовая пробка (М14х1,5); 3 - уплотнительное кольцо; 4 - центрирующая втулка (∅13,5); S - щиток; 6, 30 - центрирующая втулка (∅10.5); 7, 8 - форсунка; 9 - болт (М6х16); 10 - заглушка; 11 - крышка; 12 - центрирующая втулка(∅14,5); 13 - уплотнитель; 14 - крышка сальника; 15,16 - болт (М8x32); 17 - сальник; 18 - центрирующая втулка (∅10,5); 19 - болт (М8x22); 20 - успокоитель уровня масла; 21 - болт (М6х12); 22 - кольцо круглого сечения (17x3); 23 - датчик коленчатого вала; 24 - болт (М6x16); 25 - шпилька (М8x35); 26 - шпилька (М10x40); 27 - болт (М8x22); 28 - промежуточная вставка; 29 - резьбовая пробка (М24x1,5); 30 - центрирующая втулка (∅13,5); 31 - датчик детонации; 32 - болт (М8x30); 33 - болт (М10x92); 34 - резьбовая пробка (М14x1,5); 35, 36 - шпилька крышки

Внимание! По окончании работ и при прокручивании вала двигателя не забыть разблокировать коленчатый вал, извлекая приспособление «11.2.300».
Вывернуть установочные шпильки (2 шт., стрелки, рис. 3.121).

Установить приспособление «11.3.240» (см. рис. 3.119) на распределительные валы.

Несмотря на правильность регулировки распределительных валов, приспособление «11.3.240» может выступать на величину до 1 мм относительно стороны впуска из-за допусков изготовления узлов системы D-VANOS и зазора в зубчатом зацеплении. Приспособление «11.3.240», не должно выступать относительно стороны выпуска, при этом следует заново отрегулировать фазы газораспределения.
Отсоединить источник сжатого воздуха и снять приспособление «11.3.450» (см. рис. 3.120).

Подсоединить напорный маслопровод с новыми уплотнительными кольцами (28, см. рис. 3.63), момент затяжки пустотелого болта М14х1,5 (29) — 32 Н·м (3,2 кгс·м).
Снять приспособление «11.3.240» (см. рис. 3.119), приспособление «11.2.300» (стопор) и установить пылезащитную заглушку (10, см. рис. 3.3) в отверстие для фиксации.
![]() |
![]() |
Ослабить натяжение планки цепи привода ГРМ и снять приспособление «11.4.220» (см. рис. 3.117).

Заменить уплотнительное кольцо (2, см. рис. 3.123) и установить цилиндр плунжера натяжного устройства цепи ГРМ. Гайку цилиндра поршня (М26х1,5) затянуть моментом 70 Н·м (7,0 кгс·м).

Собрать двигатель и проконтролировать разблокировку коленчатого вала.


