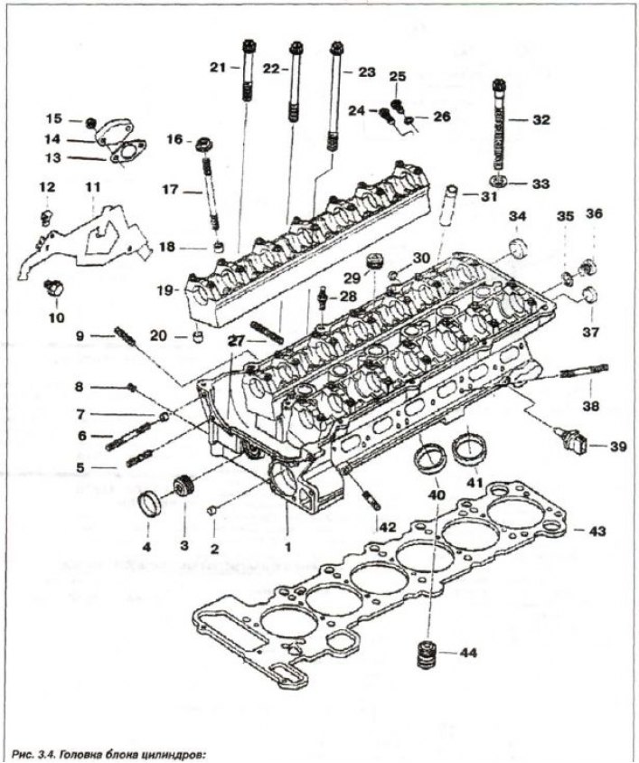
1 - головка блока цилиндров; 2,7 - центрирующая втулка; 3,8 - резьбовая пробка (М8х1); 4 - крышка (∅28); 5 - шпилька (М6х30); 6 - шпилька (М6х60); 9 - шпилька (М6x28); 10 - болт (М8x28); 11 - держатель жгута; 12 - проставка; 13 - уплотнитель; 14,30 - крышка; 15 - гайка самоблок.; 16 - гайка (М7); 17 - шпилька (М7x95); 18, 20 - центр, втулка (∅9,5); 19 - опорная планка; 21 - болт Т (М6x50); 22 - болт Т (М6x70); 23 - болт 7 (М6x100); 24 - резьбовая пробка с уплотнительным кольцом (М12x1,5x26); 25 - болт; 26,35 - уплотнительное кольцо; 27 - шпилька (М7x39); 28 - шпилька (М7/6x29,5); 29 - резьбовая пробка (М18x1,5); 31 - направляющая втулка; 32 - болт головки (М10x110); 33 - прокладочная шайба; 34 - крышка (∅22); 36 - резьбовая пробка (М10x1,0); 37 - крышка (∅18); 38 - шпилька (М7x55); 39 - датчик; 40 - седло вып. клапана; 41 - седло вп. клапана; 42 - шпилька (М6x25); 43 - уплотнительная прокладка; 44 - обратный клапан
Признаками повреждения являются:
- потеря мощности;
- падения уровня охлаждающей жидкости;
- падения уровня масла;
- наличие охлаждающей жидкости в масле;
- наличие масла в охлаждающей жидкости;
- вспенивание охлаждающей жидкости;
- отсутствие компрессии в смежных цилиндрах.
Замена уплотнительной прокладки головки блока цилиндров включает в себя три этапа — снятие головки блока цилиндров, замену уплотнительной прокладки и установку головки блока цилиндров.
Снятие головки блока цилиндров двигателя необходимо проводить в следующем порядке. Приготовить приспособление «00.9.120».

Снять оба выпускных коллектора ОГ и корпус воздушного фильтра вместе с измерителем расхода воздуха.
Снять крышку головки блока цилиндров и вывернуть все свечи зажигания. Снять впускной коллектор, слить охлаждающую жидкость, вывернув пробку на блоке цилиндров двигателя. Отсоединить трубопроводы системы охлаждения и снять корпус термостата.
вывернуть пустотелый болт (29, см. рис. 3.63) и отсоединить напорный маслопровод исполнительного узла системы газораспределения D-VANOS.
Рис. 3.63. Крышка головки блока цилиндров: 1, 19 - заглушка; 2 - гайка; 3 - защитный кожух; 4 - накладка; 5, 28, 31, 33, 39 - уплотнительное кольцо; 6, 23 - штифт установочный; 7 - резинометаллический шарнир; 8, 9 - колпачковая гайка; 10 - шайба прокладочная; 11 - уплотнитель; 12, 13, 14 - профильная прокладка; 15, 37 - кольцо уплотнительное (17x3); 16, 35 - датчик распределительного вала; 17, 34 - болт (М6х16); 18 - болт прецизионный; 20 - пробка с уплотнительным кольцом; 21 - гака фланца; 22 - крепление; 24 - гайка М6; 25 - перемычка «массы»; 26 - болт (М6х10); 27 - гайка М8; 29, 32 - пустотелый болт; 30 - маслопровод; 36 - ЭМК; 37 - кольцо (17x3); 38 - поршень; 39 - пружина; 40 - головка блока цилиндров; 41 - уплотнитель металлический; 42 - исполнительный узел; 43 - крышка маслоналивной горловины; 44 - крышка головки
Снять исполнительный узел системы D-VANOS. Снять распределительные валы вместе с опорными планками (19, см. рис. 3.4) подшипников.

Вывернуть вертикальные болты крепления крышки ГРМ к головке блока цилиндров (стрелки, рис. 3.67).

Вывернуть болты крепления верхней направляющей (9,10,15, см. рис. 3.13) цепи.
1— коленчатый вал; 2,8,14,15—звездочка; 3—планка натяжителя; 4 — поршень; 5—пружина; 6 — уплотнительное кольцо; 7—болт крышки; 9,16 — цепь; 10,12—болт планки; 13 — шпонка; 17—выпускной распредвал; 18 — впускной распредвал; 19 — гидротолкатель; 20 — сухари клапана; 21 — верхняя тарелка; 22—пружина; 23 — нижняя тарелка; 24 — маслосъемный колпачок; 25 — впускной клапан; 26 — выпускной клапан
Вывернуть болты крепления головки блока цилиндров от краев к середине в последовательности 14-1 (рис. 3.68) и снять головку блока цилиндров.

Замену уплотнительной прокладки (43, см. рис. 3.4) необходимо проводить в следующем порядке. Снять старую уплотнительную прокладку, дальнейшему использованию она не подлежит.

Очистить уплотнительные (стыковочные) поверхности на крышке ГРМ, головке и блоке цилиндров двигателя, используя для этой цели только шабер из твердой древесины (дуб, граб, бук). При этом проследить за тем, чтобы остатки уплотнения не лопали в каналы подачи воздуха, масла и охлаждающей жидкости.
Для удаления следов жидкости (масла), продуть сжатым воздухом резьбовые отверстия в блоке цилиндров и головке блока цилиндров двигателя. Наличие жидкости ведет к появлению трещин и неправильному определению момента затяжки.
Проверить центрирующие втулки (стрелки, рис. 3.69) на отсутствие повреждений и правильности их установки.

На стыки с крышкой ГРМ нанести сохраняющую эластичность уплотнительную массу типа Drei Bond 1209. Заменить уплотнительную прокладку головки блока цилиндров, установив ее на центрирующие втулки.
Внимание! Дли головки блока цилиндров прошедшей обработку уплотняемой поверхности установить более толстую (на 0,3 мм) уплотнительную прокладку.
Установку головки блока цилиндров проводить в следующем порядке. Слегка смазать маслом для двигателя поверхность прилегания шайб и резьбу новых болтов крепления головки блока цилиндров двигателя.
Вставить новые болты крепления головки блока цилиндров и затянуть их от руки, крест-накрест, начиная от середины и перемещаясь к краям двигателя. Используя манометрический ключ и приспособление «00.9.120».
Приспособление 00.9.120

Затянуть новые болты крепления головки блока цилиндров в последовательности 1—14 (см. рис. 3.68) в три последовательных приема:
- первый, затянуть моментом 40 Н·м (4,0 кгс·м);
- второй, довернуть на угол 90°;
- третий, довернуть еще на угол 90°.
- Установить верхнюю направляющую цепи. Вставить болты и затянуть резьбовые соединения крышки ГРМ с головкой блока цилиндров. Установить распределительные валы.
- Установить исполнительный узел системы Doppel-VANOS, пустотелый болт (М 14x1,5) маслопровода затянуть моментом 32 Н·м (3,2 кгс·м).при этом заменить его уплотнительные кольца.
- Собрать двигатель, при этом заменить прокладку болта (М14х1,5) сливного отверстия блока цилиндров двигателя, и затянуть его моментом 25 Н·м (2,5 кгс·м). Заполнить систему охлаждения, прокачать ее и проверить на герметичность.
